
- 旋蓋頭:2個伺服馬達驅動
- 電壓:220V,50/60HZ;
- 功率:3.0Kw
- 氣壓:0.5-0.7Mpa
- 安培:8.5A
- 速度:40-45/分鐘(依罐子形狀尺寸訂製)
- 適用產品直徑:φ28-φ125mm蓋(非標準訂製)
- 壓蓋合格率:≥99.5%(取決於蓋子和瓶子的誤差)
- 機器尺寸:3300*1150mm*1908mm
- 重量:450公斤
打開機器電源之前。請仔細閱讀本手冊以了解安全事項和正確使用機器。避免人員事故並減少機器損壞的頻率。
若有腐蝕性產品,請注意避免腐蝕性物品接觸或濺到機器本身和工作人員身上。
- 避免在有振動或碰撞的地方使用機器。
- 機器運轉時,工作人員的身體無法接觸到運動部件。
- 應避免將機器放置在過於潮濕的地方。並將其輸入電源,接地線正確接地,避免安全事故。
- 操作人員應保持正常的身心狀態,如服用酒精、安眠藥或其他有損精神狀態的藥物,應停止操作機器。
- 操作員必須穿著合適的衣服,以避免衣服捲入滾動部件而造成傷害,並且不得在機器上放置任何異物。
- 使用過程中若出現噪音或其他異常現象,應立即停車檢查。
- 定期(每週一次)維護和保養,清潔機器時避免水或任何液體濺及電子控制箱或其他電氣元件。
- 請依正常操作程序操作,保持機器表面乾淨整潔。
旋蓋機適用於各種日化、醫藥、獸藥、農藥、潤滑油等工業領域的包裝過程。





廣口瓶旋蓋機原理及特性:
- 電氣自動控制,穩定;
- 設有旋蓋定位裝置,鎖蓋標準,操作方便;
- 鎖蓋範圍廣,可旋製各種形狀規格的瓶蓋;
- 旋蓋速度、旋牢度,同時也可依需求調整收卷的鬆緊度。


化妝品瓶旋蓋機基本參數:

1.旋蓋頭:2個伺服馬達驅動
2.電壓:220V,50/60HZ;
3、功率:3.0Kw
4、氣壓:0.5--0.7Mpa
5.安培:8.5A
6. 速度:40-45/min(依罐子形狀尺寸訂製)
7.適用產品直徑:φ28-φ125mm蓋(非標準訂製)
8.壓蓋合格率:≥99.5%(取決於蓋子和瓶子的誤差)
9.機器尺寸:3300*1150mm*1908mm
10.重量:450kg
主機部分說明


電源開關:控制電源的通斷。
電源指示燈:通電—綠燈亮,斷電—綠燈滅。
緊急停止:用於緊急情況或故障時立即停止機器或重設功能。
1、啟動光電: 機器工作時,當光電檢測檢測到有瓶且有蓋時,轉盤即可開始工作。如果未偵測到兩個光電之一,則轉盤不會旋轉。
2、原點光電: 用於控制步進馬達驅動轉盤定位,使瓶子順利插入蓋內。
3、帽光電: 檢查蓋是否到位,光電檢測有蓋轉盤轉動。
4.蓋光電: 控制上蓋機的啟停,當上蓋機提供的蓋分選到光電偵測到的位置時,光電常亮,蓋機停止供蓋,實現智慧蓋。
5.鎖蓋光電: 當帶蓋瓶子通過時,光電檢測進行檢測,並按照設定的延遲時間啟動鎖蓋(具體參數根據機器調整時輸送帶的速度進行調整)。
6.鎖蓋系統: 帶蓋瓶子同樣,光電啟動延時,延時到氣缸夾瓶,鎖蓋下降,夾蓋-旋蓋-夾爪釋放-鎖蓋上升-夾瓶鬆開,鎖蓋過程完成。當1#鎖蓋在鎖蓋內時,另一瓶進入。此時2#夾瓶汽缸動作,2#鎖蓋動作,鎖蓋。

人機介面說明

啟動頁
3.1 開機頁面有英文、中文操作選擇,若選擇中文按鈕,則進入以下介面:

第二個介面
停止: 整機啟動開關,按下此鍵,機器以自動方式運行,再次按動此鍵,機器停止運轉。
測試門: 測試機器的運作情況。
轉盤速度: 速度參數越大,速度越快,速度參數越慢(但有最大限制)。
轉盤延遲: 轉盤啟動時間的設置,依照轉盤運轉平穩的效果來設定。
上限延遲: 轉盤到達指定工位後,延遲等待時間,汽缸動作帽。
封頂時間: 密封氣缸所需的時間。
輸出: 完成鎖蓋數量記錄,方便生產計數。按重置鍵清除。
X1。 X3。 X14: 檢查光電是否處於反射工作狀態,方便查看機器的運作狀態,
封蓋參數: 按此鍵進入以下介面:

此介面是伺服鎖蓋系統中1#鎖頭每個動作需要設定的參數頁面,參數的合理設定有利於機器的穩定性和效率的提升。
返回: 按此按鈕返回第二介面。
輸入/輸出: 按此按鈕進入以下介面:

X系列重點: 是偵測光電是否處於工作狀態的輸入點,容易看到機器的運作狀況,方便維護。
Y系列分: 輸出點是執行元件正常狀態的回饋,也可以手動按控制鍵測試執行元件是否正常。
送蓋系統: 能平穩有序地依規定方向進行覆蓋。
傾斜調整: 合理調整角度,可控制反轉蓋不爬入滑軌。
變頻器調節: 控制蓋子的速度。


罐蓋設備維護:
1.在斷電、斷氣的情況下維護機器,以確保安全。保持機器乾淨整潔,機器上無雜物,無小物品、配件、螺栓等。
2、並定期對運動部分機構添加潤滑油,確保機構良好的運作狀態。
3.定期放空空氣濾清器內的水並添加潤滑油,以確保汽缸的正常使用,延長使用壽命。
4.定期檢查、維修機器。透過眼睛、耳朵判斷設備的運作狀況,確保機器正常運作。
筆記: 請嚴格依照說明書使用和保養,保固期內嚴禁擅自打開和拆卸,否則由此造成的損壞視為人為損壞,不予免費維修。本說明如有更改,恕不另行通知;如果對本機的操作仍有任何不確定的地方,請隨時致電我們詢問
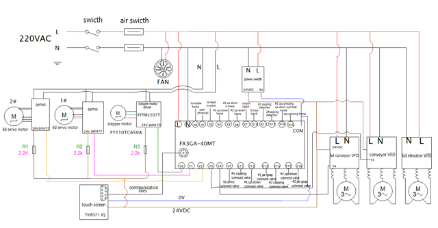
附電氣原理圖:

成品密封蓋樣品罐旋蓋機:





標記: 對於方形黑色罐子,由於蓋子容易被刮傷,設計了拾取系統,將罐子蓋子從托盤中拉出,並將其放入封蓋準備站進行封蓋過程。詳細工作原理如下圖所示: 工作流程:
1.手動將瓶蓋放入托盤(15*15或10*10)

2. 將托盤放入準備取貨站
3. 機器人撿起罐子

4. 瓶子定位與封蓋過程完成
5. 蓋罐輸出











