
- 旋蓋速度:15-30個/分鐘
- 額定電壓:110V/60Hz(美標)
- 機器功率:0.8KW
- 安培:2.2A
- 外型尺寸:2230*1460*1600 MM(長*寬*高)
- 氣壓:0.7MPa
- 重量:約300公斤
啟動瓶子旋蓋機前的通知
1:機器接通電源前,請確保電源開關處於閉合狀態,然後依照指示進行操作。
2:機器若長時間不運行,應用乾布擦拭,切不可使用任何腐蝕性清潔劑清洗。
3:嚴禁任何液體噴入機器電箱內,以免腐蝕內部電器元件,造成短路。
4:根據設備裝箱單檢查設備和材料的型號、規格和數量,確保符合設計和產品標準的要求,並附有合格證。
5:檢查設備外觀,無變形、損壞、腐蝕等現象,各主軸轉動靈活,無卡滯現象。
6:本機在單相交流110V下工作,扁三腳電源插頭應插入有接地線的電源插座。
技術參數

- 旋蓋速度:15-30個/分鐘
- 額定電壓:110V/60Hz(美標)
- 機器功率:0.8KW
- 安培:2.2A
- 外型尺寸:2230*1460*1600 MM(長*寬*高)
- 氣壓:0.7MPa
- 重量:約300公斤
旋蓋機詳細資料:



機器結構

光纖電眼描述
電眼檢測瓶子:

當以自動模式操作時,該電眼的目的是檢測進入的瓶子。
當偵測到進入的瓶子時,「轉盤」就會旋轉。
送蓋電眼

當它在自動模式下操作時,該電眼的目的是檢測進入的蓋子。
當檢測到進料蓋時,「取出機構」上升進行取料。
送蓋電眼

以自動模式操作時: 此電眼的目的是偵測進入的瓶子。
當偵測到進來的瓶子時,「鎖蓋機構」會使鎖蓋向下旋轉。
開關按鈕及接線口
觸控螢幕和緊急停止

送料馬達及蓋子振動盤控制器

振動盤控制器

振動盤控制器:透過調節電壓,調節放電速度。
電源開關及插座

馬達控制器

變頻器:透過調整變頻器按鈕,調整馬達轉速。
警報及排除方法:
1. 已按下緊急停止按鈕。按下機器蓋上和觸控螢幕旁的緊急停止按鈕。
2. 輸出達到設定值。設定輸出,按清除按鈕可清除目前輸出。
3. 當長時間未偵測到瓶蓋時,請檢查。檢查瓶蓋感應光纖是否完好。檢查蓋子是否安裝到位。
4、長時間未偵測到瓶子時,請檢查。檢查瓶子是否就位。
電眼調整:
放大器結構

光纖示意圖:

1.光纖鎖桿
2. 運轉狀態指示燈
3. 設定
4.DSC指示燈
5. 數位顯示器
6. 手動按鈕
7. 擴充保護罩
8. 擴充連接器
9. 電源選擇開關
10. 模式按鈕
11. 輸出選擇器
12. 電纜
13.防塵裝置
14.設定值(綠色)
15. 當前值(紅色)
光纖設定工作流程
- 當電眼落入間隙時,紅色電流值為144。
- 當電眼落在標籤上時,紅色電流值為4。
- 調整設定值”,大約為電眼在原紙上(被檢測物體之間的間隙處)的值和電眼在紙上的值的1/2,設定值是(144 4)/2=74,調節手動按鈕將設定值調整為74。
- 在電眼位置和紅色“信號燈/指示燈”處來回移動標籤間隙。
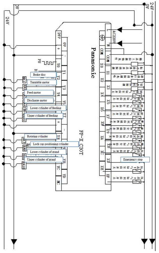
電路圖



維修瓶旋蓋機

1、需要對機器進行檢查與維護,以延長機器的壽命,優化機器的功能;
- 工作機械每三個月保養一次;
- 軸承及齒輪傳動部分必須用油脂潤滑;
- 必須定期進行潤滑;
- 往復機構運動或升降等部位每天應加註導軌油(N68)兩次;
- 旋轉或擺動部位應加裝汽車機油(N68);
- 每半個月在凸輪槽內添加一次潤滑脂;
- 每月一次給油嘴加註潤滑脂;
2. 切勿使用金屬工具敲擊或刮擦部件或模具等零件上的黏結劑聚集的表面。
3.機器長時間停止運轉時,應在傳動、軸承等部位添加潤滑脂進行潤滑;也要對機器進行防水保護。
4、切勿在機器上放置任何物品,以免損壞機器。
5.定期清理各部件內部的灰塵,並檢查所有螺絲,如有鬆動的螺絲應予以修復。
6.定期檢查接線端子上的螺絲,確保螺絲緊固;
7.檢查從電箱引出的接線路徑上是否有鬆動的站點;若鬆動過大,應重新鎖緊螺絲,以免絕緣層磨損或損壞而造成漏電。
8.檢查易磨損的拍子,損壞的拍子及時更換;









