
- VK-BR玻璃瓶清洗機
- VK-PF 4頭機油填充機
- VK-VC真空旋蓋機
- VK-RPL圓瓶貼標機
全自動填充線可根據客戶要求和買方提供的樣品進行客製化。以下列出了該食品業全自動灌裝線的基本資訊:
玻璃瓶空氣清洗機真空清洗機設備
它是一種自動風洗瓶機。容量取決於空氣清洗噴嘴。
空壓機輸送真空容器內的空氣,氣體經由電磁閥和離子產生器淨化,氣管氣體洗髮精經由氣洗口將氣體吹入瓶中,利用氣體壓力將異物從氣洗口吹出,廢氣經回氣管排出控制排放至室外。

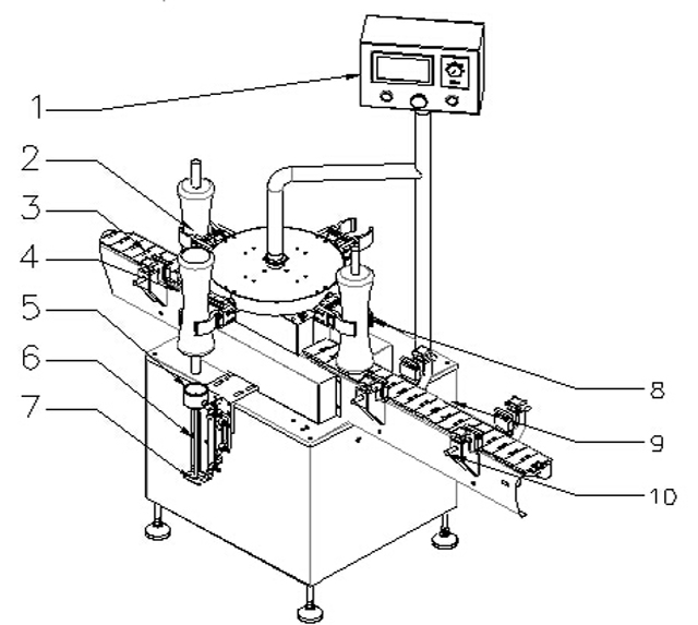
| 1 | 控制面板 | 2 | 瓶子 |
| 3 | 奶瓶帶 | 4 | 奶瓶餵食感應器 |
| 5 | 瓶固定結構 | 6 | 沖洗噴射 |
| 7 | 靜電風口 | 8 | 瓶子固定點 |
| 9 | 瓶子輸出皮帶 | 10 | 導桿 |
玻璃瓶自動旋轉式氣流清洗機基本參數:

型號:VK-BR
適合瓶裝:20-1000ml
生產能力:8個清洗噴嘴:3600~4800bph
氣壓範圍:6~8kg/cm2
耗氣量:25m3/h
電源供應器:220V 50/60Hz
耗電量:0.75Kw
單機雜訊:≤70dB
淨化空氣:0.2μm
清洗時間:3~5s
淨重:350公斤
外形尺寸:1200×800×1600mm
油類灌裝機 4 頭直線灌裝機

四頭橄欖灌裝機由微電腦控制,光電與氣動操作結合,廣泛應用於農藥、溶液、液體洗滌劑、化妝品以及橄欖的液體填充。
灌裝量精確、無泡沫、穩定。該機可填充25-1000ml範圍的液體,同時對瓶子形狀無特殊要求。也就是說,既可以灌裝普通瓶子的液體,也可以灌裝異型瓶子的液體。

型號:VK-PF
灌裝範圍:50~3000ml
填充速度:<20-30b/m(適用500-1000ml液體)
準確度:±1%
電源/電源功率:0.8kw、220v
工作壓力:5~6kg/cm3
耗氣量:0.5-0.7mpa
淨重:500公斤
外形尺寸:2000×800×1900mm
標記: 灌裝嘴可根據客戶對填充範圍、填充速度的要求進行設計和製造
直線真空旋蓋機 Vk-Vc 廣口瓶旋蓋機設備:
這台直線式旋蓋機是我公司集多年經驗研發而成,國內獨一無二。集自動理蓋、旋蓋、真空旋蓋於一體。
採用手動真空泵,達到高真空。具有無瓶不蓋、無蓋警報功能。享受高度自動化。主要氣動、電動元件均採用世界知名品牌。
具有性能穩定可靠。廣泛用於罐頭、飲料、調味品、保健品等行業的鐵蓋玻璃罐的真空旋蓋。

功率:≤2.3KW(含真空幫浦)
生產能力:50-60BPM
瓶蓋直徑:¢30-¢55mm ¢50-¢85mm
瓶子高度:80-250mm
瓶子直徑:¢30-¢85mm
最大真空度:-0.08mpa
旋蓋扭力:5-20N.M
耗氣量:0.6M3/0.7Mpa
機器尺寸:約3000×1000×1900mm
重量:約850kg
Vk-Rpl 圓瓶罐貼標機

應用: 要求膜的圓週表面貼上標籤或產品。
行業: 廣泛應用於食品、醫藥、化妝品、日化、電子、金屬、塑膠等行業。
應用: PET圓瓶貼標、塑膠瓶貼標、罐頭食品貼標等。

適用標籤長度(mm):20mm~314mm
適用標籤寬度(底紙寬度/mm):15mm~150mm
適用產品直徑(圓瓶)及高度:直徑:φ25mm~φ100mm
高度:25mm~230mm
適用標準卷徑(mm): φ280mm
適用標準卷徑(mm): φ76mm
貼標精度(mm):±1mm
標準速度(m/min):伺服:5~25m/min 步進:5~19m/min
貼標速度(個/分鐘):步進:30~80個/分鐘(與瓶子及標籤尺寸有關)
伺服: 40 ~ 120pcs/min
輸送速度(米/分鐘):5~25m/min
重量(公斤):約185公斤
頻率(HZ):50HZ 電壓(V):220V
功率(W):530W(牽引步進)980W(牽引伺服)
設備尺寸(mm)(長×寬×高):1950mm×1100mm×1300mm


木箱包裝:

灌裝線售後服務

我們保證主要零件在12個月內的品質。如果主要零件在一年內非人為因素故障,我們將免費為您提供或維修。一年後,如果您需要更換零件,我們將為您提供最優惠的價格或在您的網站上進行維護。每當您在使用過程中遇到技術問題時,我們將竭盡全力為您提供支援。
品質保證:
製造商應保證貨物採用製造商最好的材料製成,工藝一流,全新,未使用過,並在各方面符合本合約規定的品質、規格和性能。品質保證期為提單日期起12個月內。
合約機器在品質保證期內,製造商將免費維修。
如果是由於買方使用不當或其他原因造成的故障,製造商將收取維修配件費用。
安裝與調試:
賣方會派工程師指導安裝和調試。費用由買方負擔(來回機票、買方國家的住宿費)。買方應提供現場協助安裝和調試。









